ЦН-15-800 Циклон
ЦН-15-800 Циклон является универсальным и широко используется в производственных комплексах для сухой очистки газов, образующихся в процессе таких технологических процессов, как сушка, агломерация, обжиг и пр. ЦН-15 играет роль аспирационного устройства в различных отраслях промышленности. Он отличается функциональностью, безупречным качеством и приемлемой ценой.
Общая информация и условные обозначения
Циклоны могут изготавливаться как одиночно, так и в групповом варианте. Четные группы могут включать в себя оборудование в количестве от 2 до 8 единиц. В групповых циклонах существует возможность изготовления камер воздушного очищения как в виде сборников, так и улитки. В одиночных вариантах предусмотрены исключительно сборники второго вида. ЦН-15, производимые из углеродистой стали, подразумевают использование при температуре окружающей среды не ниже -40°С. Для возможности эксплуатации оборудования при более низких температурах применяется низкоуглеродистая сталь.
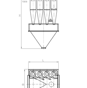
Артикулы оборудования подлежат расшифровке, что позволяет разобраться в технических характеристиках той или иной модели. К примеру, ЦН-15Л-600х2УП:
– ЦН – циклон;
– 15 указывает на угол наклона патрубка;
– Л – левое вращение газа (П – правое);
– 600 – длина внутреннего диаметра цилиндрического участка оборудования в мм;
– 2 – количество циклонов в группе;
– У – камера очистки воздуха, выполненная в форме улитки;
– С – камера в виде сборника;
– П – пирамидальная форма бункера.
Достоинства ЦН-15
Универсальный циклон типа ЦН-15 отличается:
– простотой конструкции;
– возможностью использования в различных отраслях промышленности;
– отсутствием аналогов до недавнего времени;
– высоким уровнем очистки воздуха – 85-95%
Особенности исполнения и конструкции
Сборка стандартного типа циклонов ЦП-15 требует полного отказа от применения оборудования на взрывоопасных и токсичных объектах, а также от улавливания пылевых частиц с высоким коэффициентом слипания. Если же предполагается эксплуатация устройства в условиях, указанных выше, требуется его производство в защитном исполнении, которое предусматривает наличие взрывных клапанов и уменьшение размера бункера с целью предупреждения скопления в нем взрывоопасной пыли. У таких циклонов соотношение цилиндрической и канонической частей составляют 40/60. Диапазон работы при этом достигает 1-60 тыс. м³ (зависит от марки). Нижняя часть конуса и улитки оборудования позволяют при необходимости приваривать дополнительные металлические листы, что существенно повышает износостойкость и долговечность ЦН-15. Приваривание листов допускается исключительно с внешней стороны оборудования. Также имеет значение диаметр циклона. Если этот показатель меньше 800 мм, то не следует применять его для отвода абразивных пылевых частиц, поскольку это может привести к выходу оборудования из строя.
Принцип работы ЦН-15-800 Циклон
Циклон очищает воздушные массы от пыли за счет перемещения их по спирали в нижнюю часть устройства. Это осуществляется за счет центробежной силы, смещающей посторонние частицы к стенкам циклона, после чего они собираются в бункер.
Этапы движения масс непосредственно в циклоне происходят поэтапно:
– воздух с частицами пыли, песка и металлов поступает в циклон с боковой части;
– воздушная масса движется по спирали под определенным углом, обеспечиваемым входом. После первого обращения твердые частицы под влиянием центробежной силы сталкиваются со стенками оборудования и опускаются в направлении противоположном входу в бункер. Показатели скорости движения воздуха достигают 4-7 м/сек, а число оборотов – 4-6;
– после очистки воздух выводится через отверстие в верхней части циклона;
– в бункере остаются посторонние частицы.
Монтаж пылеуловителя ЦН-15-800 Циклон
При установке циклона одновременно осуществляется монтаж вентилятора, который подает воздух в систему. Вентилятор размещают перед циклоном. В том случае, когда он располагается сзади, лучше отдать предпочтение использованию ВЦ 14-46, однако помните о необходимости установки раскручивателя воздуха. В случае его отсутствия наблюдается снижение эффективности работы и давления ЦН-15, изготовленного по групповому типу.
При выборе вентилятора необходимо учитывать тонкости, которые влияют на продуктивность работы устройств.
Стабильность функционирования системы достигается за счет:
– правильного соотношения диаметра трубы и площади зонта;
– выбора оптимальной толщины воздуховода, соединяющего циклон с зонтом;
– правильного определения длинны системы от зонта до выхлопа;
– подбора оптимальных параметров давления вентиляционного оборудования и производительности.
Комплект может состоять из бункера и циклона. Оборудование предлагается производителями в различных размерах и широком ценовом диапазоне. При заказе бункера следует принимать во внимание интервалы между требуемыми периодами очистки. Также перед покупкой следует проконсультироваться со специалистом, поскольку нередко возникают ситуации, когда установка ЦН-15 – ненужная мера, к примеру, при работе шлифовального оборудования.
Технические характеристики циклонов ЦН-15
| Наименование. | Производительность по воздуху м3/ч | Диаметр, мм | Высота, мм | Масса, кг |
| Циклон ЦН-15-300 | 828-954 | 300 | 1368 | 40 |
| Циклон ЦН-15-400 | 1450-1691 | 400 | 1824 | 72 |
| Циклон ЦН-15-450 | 1835-2141 | 450 | 2052 | 91 |
| Циклон ЦН-15-500 | 2270-2645 | 500 | 2280 | 112 |
| Циклон ЦН-15-550 | 2740-3200 | 550 | 2508 | 136 |
| Циклон ЦН-15-600 | 3262-3810 | 600 | 2736 | 162 |
| Циклон ЦН-15-650 | 3825-4460 | 650 | 2964 | 190 |
| Циклон ЦН-15-700 | 4400-5180 | 700 | 3192 | 220 |
| Циклон ЦН-15-750 | 5100-5950 | 750 | 3420 | 253 |
| Циклон ЦН-15-800 | 4500-7230 | 800 | 3648 | 288 |
| Циклон ЦН-15-900 | 5700-9140 | 900 | 4104 | 364 |
| Циклон ЦН-15-1000 | 7100-11300 | 1000 | 4560 | 450 |
| Циклон ЦН-15-1200 | 10200-16200 | 1200 | 5472 | 647 |
| Циклон ЦН-15-1400 | 13900-22200 | 1400 | 6384 | 881 |





Отзывов пока нет.